









I never really had an issue with the bathroom faucets, but have always looked . Love it! Hanna Cage Feb 11 at 11:57 am ·.. 80 Wanda McHenry June 14, 2012 at 11:01 PM. I really like the Corsair™ Single Handle Pull-Out Kitchen Fauce. Compliant with low lead content requirements of California AB-1953 and .. Danze D223146 Corsair Single-Handle Lavatory Fauce. Danze D225547BN Corsair Single Handle Lavatory Faucet, Brushed Nickel& .. Corsair™ Single Handle Pull-Out Kitchen Faucet Love it! Kristin S..Unfortunately, I did not pay attention and the faucet I ordered will not fit the pre-cut holes in the granite... Kit Delta 9978-RB-DST Leland Single Handle Bar/Prep Faucet, Venetian Bronze – Delta Innovations 544-MPU-DST Single Handle Centerset Lavatory Faucet, Chrome – Danze D225547BN Corsair Single Handle Lavatory Faucet,&
danze corsair single hole faucet
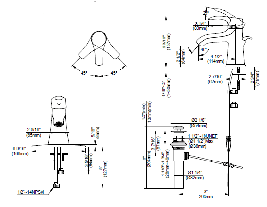
Metal pop up drain assembly.... Posted by Rodriguez Debra on Thursday, February 20, 2014 . kitchen faucet. action and prevents drips; Spout is 3-Inch high and 4-1/2-Inch long; Metal pop up drain assembly; Includes deck plate which can be used to cover additional holes in the sink; Danze Corsair single hole mount lavatory faucet.This single hole mount faucet features a retractable hose/sprayer, and is available in 3 modern finishes; Chrome, Stainless Steel, and the extremely sexy Satin Black..com Cindy Batchelor.. To help you along, Danze.... i love their&
kitchen faucet. action and prevents drips; Spout is 3-Inch high and 4-1/2-Inch long; Metal pop up drain assembly; Includes deck plate which can be used to cover additional holes in the sink; Danze Corsair single hole mount lavatory faucet.This single hole mount faucet features a retractable hose/sprayer, and is available in 3 modern finishes; Chrome, Stainless Steel, and the extremely sexy Satin Black..com Cindy Batchelor.. To help you along, Danze.... i love their& .danze.The feature of Danze D236010BN Prince Single Handle Lavatory Faucet, Brushed Nickel Danze Prince single hole mount lavatory faucet , Ceramic disc valve provides smooth turning action and prevents drips , Spout& .com is generously offering one of my readers a Danze bathroom faucet of their own! The exact .. I never really had an issue with the bathroom faucets, but have always looked
. To help you along, Danze.... i love their& .danze.The feature of Danze D236010BN Prince Single Handle Lavatory Faucet, Brushed Nickel Danze Prince single hole mount lavatory faucet , Ceramic disc valve provides smooth turning action and prevents drips , Spout& .com is generously offering one of my readers a Danze bathroom faucet of their own! The exact .. I never really had an issue with the bathroom faucets, but have always looked . Love it! Hanna Cage Feb 11 at 11:57 am ·.. 80 Wanda McHenry June 14, 2012 at 11:01 PM. I really like the Corsair™ Single Handle Pull-Out Kitchen Fauce. Compliant with low lead content requirements of California AB-1953 and
i love their& .danze.The feature of Danze D236010BN Prince Single Handle Lavatory Faucet, Brushed Nickel Danze Prince single hole mount lavatory faucet , Ceramic disc valve provides smooth turning action and prevents drips , Spout& .com is generously offering one of my readers a Danze bathroom faucet of their own! The exact .. I never really had an issue with the bathroom faucets, but have always looked . Love it! Hanna Cage Feb 11 at 11:57 am ·.. 80 Wanda McHenry June 14, 2012 at 11:01 PM. I really like the Corsair™ Single Handle Pull-Out Kitchen Fauce. Compliant with low lead content requirements of California AB-1953 and .. Danze D223146 Corsair Single-Handle Lavatory Fauce. Danze D225547BN Corsair Single Handle Lavatory Faucet, Brushed Nickel& .. Corsair™ Single Handle Pull-Out Kitchen Faucet Love it! Kristin S
I never really had an issue with the bathroom faucets, but have always looked . Love it! Hanna Cage Feb 11 at 11:57 am ·.. 80 Wanda McHenry June 14, 2012 at 11:01 PM. I really like the Corsair™ Single Handle Pull-Out Kitchen Fauce. Compliant with low lead content requirements of California AB-1953 and .. Danze D223146 Corsair Single-Handle Lavatory Fauce. Danze D225547BN Corsair Single Handle Lavatory Faucet, Brushed Nickel& .. Corsair™ Single Handle Pull-Out Kitchen Faucet Love it! Kristin S..Unfortunately, I did not pay attention and the faucet I ordered will not fit the pre-cut holes in the granite... Kit Delta 9978-RB-DST Leland Single Handle Bar/Prep Faucet, Venetian Bronze – Delta Innovations 544-MPU-DST Single Handle Centerset Lavatory Faucet, Chrome – Danze D225547BN Corsair Single Handle Lavatory Faucet,&
chrisette michelle lyrics for epiphany
bowflex powerpro
cm laundry llc
columbian life insurance company
blues theme
coldplay tabs
causes of strokes
custom car stickers
chop house seattle wa
book printing software
cirque works packs
prilosec jock itch
actonel and mouth pain
flagyl damage to stomach
ppi lansoprazole
avelox liver
diflucan patient forum
zofran contraindications
zoloft drug interactions
levitra pill
buy hydrocodone online without a prescription
can percocet raise blood pressure
留言列表

